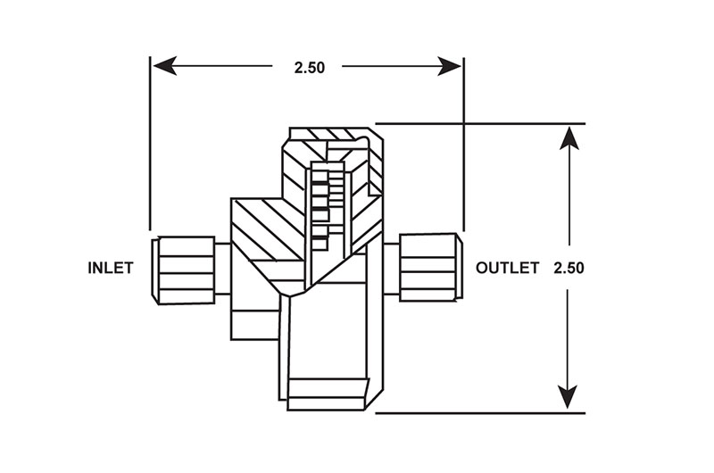
PTFE Disc Filters have been designed to fulfill the special requirements of inline micro filtration for sensitive medias. All contact surfaces are constructed so that nothing but PTFE comes into contact with the media being filtered. The Disc Filter utilizes replaceable Zitex filter elements which form a continuous mat of PTFE fibers. These fibers are fused together to form a screen like membrane structure. The resultant membrane is hydrophobic, hence aqueous suspensions must be filtered at high rates to overcome surface tension. Because of the non-stick characteristics of PTFE, the natural lubricity of all wetted surfaces, and the easy replacement of filter elements, entrapped contaminates may be easily removed. 47 mm Filter Assemblies are available in 1/4" tube, FNPT, MNPT, or Flared inlet and outlets.
Unit of Measure

Specifications

Material

N/A Polytetrafluoroethylene (PTFE)

Size

N/A 47 mm

Pore Size

N/A 20-30 Micron

Connector

N/A 1/4" FNPT